ÐÂÐÍÖá´ø·¢µç»úϵͳ
ÐÂÐÍÖá´ø·¢µç»úϵͳ½ÓÄÉÁ¢ÒìµÄ¶¯Ì¬ÎȹÌÊÖÒÕ£¬£¬£¬£¬£¬£¬£¬£¬Äܹ»ÔÚ´¬²°ÖáϵһÁ¬Õñ¶¯¡¢°Ú¶¯ºÍŤ¶¯µÄÑÏ¿Á¹¤¿öÏ£¬£¬£¬£¬£¬£¬£¬£¬ÓÐÓÃÔ¤·À×°±¸±§ËÀ£¬£¬£¬£¬£¬£¬£¬£¬¼á³ÖÄÚ²¿ÔËÐмä϶Îȹ̣¬£¬£¬£¬£¬£¬£¬£¬ÏÔÖøÌáÉý·¢µçЧÂÊ£¬£¬£¬£¬£¬£¬£¬£¬Îª´¬²°¶¯Á¦ÏµÍ³Ìṩ¸ü¿É¿¿µÄ°ü¹Ü¡£¡£¡£¡£¡£¡£
- ϵͳ×é³É¼°ÊÂÇéÔÀí
- ²úÆ·²ÎÊý
- ÔÚÏßѯ¼Û
Öá´ø·¢µç»ú£¨Shaft Generator£©ÊÇÒ»ÖÖ×°ÖÃÓÚ´¬²°Ö÷ÍÆ½øÖáϵ£¬£¬£¬£¬£¬£¬£¬£¬Í¨¹ýÖ÷»úÖṦÇý¶¯·¢µç»ú×éµÄµçÁ¦×°±¸¡£¡£¡£¡£¡£¡£Ëü³ä·ÖʹÓô¬²°Ö÷»úº½ÐÐÀú³ÌÖеĸ»ÓදÁ¦£¬£¬£¬£¬£¬£¬£¬£¬Ìæ»»»ò²¿·ÖÌæ»»¹Å°å¸¨»ú·¢µç£¬£¬£¬£¬£¬£¬£¬£¬Îª´¬²°¹©µç¡£¡£¡£¡£¡£¡£Ïà±ÈͨÀý¸¨Öú·¢µç»ú£¬£¬£¬£¬£¬£¬£¬£¬Öá´ø·¢µç»úÔÚ´¬²°º½ÐÐ״̬ÏÂÎÞÐèÌØÊâȼÓÍÏûºÄ£¬£¬£¬£¬£¬£¬£¬£¬ÏÔÖø½µµÍȼÓͱ¾Ç®ºÍÎÂÊÒÆøÌåÅÅ·Å£¬£¬£¬£¬£¬£¬£¬£¬ÓÐÓÃÖúÁ¦´¬¶«Ó¦¶ÔIMO̼ǿ¶ÈÖ¸±ê£¨CII£©¡¢ÄÜЧָÊý£¨EEDI/EEXI£©µÈ»·±£¹æÔòÒªÇ󡣡£¡£¡£¡£¡£ÒÀ¸½Îȹ̵ĵçÁ¦Êä³öºÍÓÅÒìµÄ½ÚÄܼõÅÅЧ¹û£¬£¬£¬£¬£¬£¬£¬£¬Öá´ø·¢µç»úÒѳÉΪÐÂÔì´¬ºÍ¸Ä×°ÏîÄ¿Öб¸ÊÜÇàíùµÄÂÌÉ«¶¯Á¦½â¾ö¼Æ»®¡£¡£¡£¡£¡£¡£
![]()
ÐÂÐÍÖá´ø·¢µç»úϵͳ½ÓÄÉÁ¢ÒìµÄ¶¯Ì¬ÎȹÌÊÖÒÕ£¬£¬£¬£¬£¬£¬£¬£¬Äܹ»ÔÚ´¬²°ÖáϵһÁ¬Õñ¶¯¡¢°Ú¶¯ºÍŤ¶¯µÄÑÏ¿Á¹¤¿öÏ£¬£¬£¬£¬£¬£¬£¬£¬ÓÐÓÃÔ¤·À×°±¸±§ËÀ£¬£¬£¬£¬£¬£¬£¬£¬¼á³ÖÄÚ²¿ÔËÐмä϶Îȹ̣¬£¬£¬£¬£¬£¬£¬£¬ÏÔÖøÌáÉý·¢µçЧÂÊ£¬£¬£¬£¬£¬£¬£¬£¬Îª´¬²°¶¯Á¦ÏµÍ³Ìṩ¸ü¿É¿¿µÄ°ü¹Ü¡£¡£¡£¡£¡£¡£
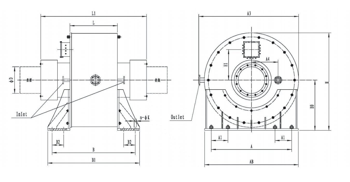
Öá´ø·¢µç»úϵͳÖ÷ÒªÓÉ·¢µç»ú¡¢±äƵÆ÷¡¢±äѹÆ÷¡¢¿ØÖÆÏµÍ³µÈ½¹µã×°±¸×é³É¡£¡£¡£¡£¡£¡£
![]()
·¢µç»úͨ¹ýÖ÷ÖᶯÁ¦Çý¶¯£¬£¬£¬£¬£¬£¬£¬£¬±¬·¢½»Á÷µçÄÜ£»£»£»£»£»£»£»£»
±äƵÆ÷¶Ô·¢µç»úÊä³öµÄµçÄܾÙÐÐÎȹ̵÷Àí£¬£¬£¬£¬£¬£¬£¬£¬ÊµÏÖ²î±ð¹¤¿öϵÄ×î¼ÑµçÄÜÖÊÁ¿¹ÜÀí£»£»£»£»£»£»£»£»
±äѹÆ÷ƾ֤´¬²°µçÍøÐèÇó¾ÙÐеçѹת»»£¬£¬£¬£¬£¬£¬£¬£¬È·±£µçÁ¦ÏµÍ³Çå¾²¸ßЧÔËÐУ»£»£»£»£»£»£»£»
¿ØÖÆÏµÍ³ÔòÈÏÕæÊµÊ±¼à²âÓëÖÇÄܹÜÀí¸÷µ¥Î»×°±¸µÄÔËÐÐ״̬£¬£¬£¬£¬£¬£¬£¬£¬°ü¹ÜϽµµÍª¶¯Îȹ̡¢¹ÊÕϿɿء£¡£¡£¡£¡£¡£
¸÷²¿¼þϸÃÜÐͬ£¬£¬£¬£¬£¬£¬£¬£¬×é³ÉÒ»Ì׸ßЧ¡¢½ÚÄÜ¡¢¿É¿¿µÄ´¬²°µçÁ¦½â¾ö¼Æ»®¡£¡£¡£¡£¡£¡£
¡¤ ¶¯Ì¬Îȹ̷À±§ËÀÊÖÒÕ
¹Å°å·¢µç»úͨ³£½ÓÄÉÊóÁýʽ½á¹¹£¬£¬£¬£¬£¬£¬£¬£¬Æäת×ÓÓëÂÝÐý½°Öá¸ÕÐÔÅþÁ¬£¬£¬£¬£¬£¬£¬£¬£¬¶ø¶¨×Ó¼°¿ÇÌåÔòÓë´¬ÌåÀο¿¡£¡£¡£¡£¡£¡£¸Ã½á¹¹¶Ô¾¶ÏòÅäºÏ¾«¶ÈÒªÇ󼫸ߣ¬£¬£¬£¬£¬£¬£¬£¬ÎÞ·¨ÈÝÈÌÂÝÐý½°Öá·ºÆðÈκÎÕñ¶¯¡¢°Ú¶¯»òŤ¶¯¡£¡£¡£¡£¡£¡£È»¶øÔÚÏÖʵº½ÐÐÖУ¬£¬£¬£¬£¬£¬£¬£¬ÓÈÆäÊÇÀϾɴ¬²°£¬£¬£¬£¬£¬£¬£¬£¬ÂÝÐý½°ÖáÒòºã¾ÃÔËÐÐÍùÍù±£´æÒ»¶¨Ëɶ¯£¬£¬£¬£¬£¬£¬£¬£¬²»¿É×èÖ¹µØ±¬·¢¶àÖÖÖØ´óÔ˶¯¡£¡£¡£¡£¡£¡£ÕâÈÝÒ×µ¼ÖÂÊóÁý½á¹¹ÄÚ²¿µÄת×ÓÓ붨×Ó±¬·¢Ä¦²ÁÉõÖÁ½Ó´¥£¬£¬£¬£¬£¬£¬£¬£¬½ø¶øÒý·¢×°±¸±§ËÀ,ÖÂʹ´¬²°·¢Äîͷͣת¡£¡£¡£¡£¡£¡£Èô´ËÀà¹ÊÕϱ¬·¢ÔÚÔ¶Ñóº£Óò£¬£¬£¬£¬£¬£¬£¬£¬´¬²°½«ÃæÁÙʧȥ¶¯Á¦µÄÖØ´óΣº¦£¬£¬£¬£¬£¬£¬£¬£¬¿ÉÄÜÔì³ÉÄÑÒÔ¹ÀÁ¿µÄÑÏÖØÐ§¹û¡£¡£¡£¡£¡£¡£
![]()
¶«Éý¹ú¼Ê¹ÙÍøÐÂÐÍÖá´ø·¢µç»ú½ÓÄÉÁ¢ÒìµÄ¶¯Ì¬ÎȹÌÊÖÒÕ£¬£¬£¬£¬£¬£¬£¬£¬Äܹ»ÔÚ´¬²°ÖáϵһÁ¬Õñ¶¯¡¢°Ú¶¯ºÍŤ¶¯µÄÑÏ¿Á¹¤¿öÏÂ,ʼÖÕ¼á³ÖÄÚ²¿ÔËÐмä϶µÄÎȹ̡£¡£¡£¡£¡£¡£ÕâÒ»Éè¼Æ²»µ«ÓÐÓÃÔ¤·ÀÁË×°±¸±§ËÀÕ÷Ï󣬣¬£¬£¬£¬£¬£¬£¬¸ü´øÀ´ÁË·¢µçЧÂʸߡ¢ÄÜÁ¿×ª»¯ÄÜÁ¦Ç¿¡¢¹ÊÕÏÂʵͼ°ÇéÐÎ˳ӦÐÔÓÅÒìµÈÏÔÖøÓÅÊÆ£¬£¬£¬£¬£¬£¬£¬£¬Îª´¬²°¶¯Á¦ÏµÍ³ÌṩÁ˸ü¿É¿¿¡¢¸ü¶¨Ðĵİü¹Ü¡£¡£¡£¡£¡£¡£
¡¤ ×îС»¯ÖáϵӰÏì
Õë¶Ô¹Å°åÖá´ø·¢µç»ú¶ÔÖáϵÔËÐе¹ÔËÓ°ÏìµÄÎÊÌ⣬£¬£¬£¬£¬£¬£¬£¬¶«Éý¹ú¼Ê¹ÙÍøÖá´ø·¢µç»úϵͳͨ¹ý½á¹¹ÇáÁ¿»¯¡¢×ª×ÓÓÅ»¯Éè¼Æ¼°ÏȽø¿ØÖÆÕ½ÂÔ£¬£¬£¬£¬£¬£¬£¬£¬×î´óÏ޶ȽµµÍ¶ÔÖáϵµÄ×ÌÈÅ£¬£¬£¬£¬£¬£¬£¬£¬ÖÜÈ«½µµÍÖáϵ·¢µç»úϵͳ¶Ô´¬²°ÔËÓªÇå¾²µÄÓ°Ïì¡£¡£¡£¡£¡£¡£
ÖáϵÎȹÌÐÔ¡ª¡ª±¾²úÆ·½ÓÄɵÍת¶¯¹ßÁ¿Éè¼Æ£¬£¬£¬£¬£¬£¬£¬£¬ÓÐÓüõСÖáϵŤתÕñ¶¯¹ÌÓÐÆµÂÊת±ä,½µµÍ¹²ÕñÏÕ£¬£¬£¬£¬£¬£¬£¬£¬°ü¹ÜÖ÷»úÔÚÈ«º½ËÙÇø¼äÄÚÖáϵÕñ¶¯Îȹ̣¬£¬£¬£¬£¬£¬£¬£¬ÌáÉýÕû´¬ÔËÐпɿ¿ÐÔ¡£¡£¡£¡£¡£¡£
Æô¶¯/ÖÆ¶¯¡ª¡ªÓÅ»¯µÄ·¢µç»úת¶¯¹ßÁ¿Éè¼Æ,½µµÍÆôÍ£Àú³ÌÖеÄŤ¾Ø¹¥»÷£¬£¬£¬£¬£¬£¬£¬£¬ïÔÌÖ÷»úÆô¶¯¸ººÉÓëÖÆ¶¯¹ßÐÔ£¬£¬£¬£¬£¬£¬£¬£¬ÌáÉý´¬²°ÎÞаÐÔÓë²Ù×÷Çå¾²ÐÔ£¬£¬£¬£¬£¬£¬£¬£¬ÑÓÉìÖáϵ¼°ÍƽøÏµÍ³Ê¹ÓÃÊÙÃü¡£¡£¡£¡£¡£¡£
Ö§³Ö²¿¼þ¡ª¡ªÐ¡×ª¶¯¹ßÁ¿·¢µç»úÔËÐÐʱ¶ÔÖá³Ð¡¢ÃÜ·â×°ÖõÈÖ§³Ö²¿¼þÊ©¼ÓµÄ¾¶ÏòÁ¦ÓëÖáÏòÁ¦ÏÔÖø¼õС£¡£¡£¡£¡£¡£¬£¬£¬£¬£¬£¬£¬£¬½µµÍºã¾ÃÄ¥Ë𣬣¬£¬£¬£¬£¬£¬£¬ÑÓÉìά»¤ÖÜÆÚ£¬£¬£¬£¬£¬£¬£¬£¬°ü¹ÜÖáϵºã¾Ã¶ÔÖо«¶È¼°¿É¿¿ÐÔ¡£¡£¡£¡£¡£¡£
![]()
![]()
![]()
Öá´ø·¢µç»úϵͳÊÊÓÃÓÚÖÖÖÖÐÍÐÂÔì´¬ÓëÓªÔË´¬£¬£¬£¬£¬£¬£¬£¬£¬ÓÈÆäÔÚ12-14½Ú¸ß¸ºÔØÎȹ̺½ÐÐ״̬ÏÂÐÔÄÜ×î¼Ñ¡£¡£¡£¡£¡£¡£¶«Éý¹ú¼Ê¹ÙÍøÖá´ø·¢µç»úϵͳ֧³ÖÖеÍËÙË«³å³Ì´¬²°Ö÷»ú£¬£¬£¬£¬£¬£¬£¬£¬²¢¿Éͨ¹ýǰ¶Ë»òËíµÀ³ÝÂÖÅþÁ¬Ö÷Öᣬ£¬£¬£¬£¬£¬£¬£¬ÊµÏÖPTO·¢µç¹¦Ð§£¬£¬£¬£¬£¬£¬£¬£¬ïÔ̶Դ¬Ìå»òÖáÏ߸Ä×°£¬£¬£¬£¬£¬£¬£¬£¬ÊÊÅäÐÔÇ¿¡£¡£¡£¡£¡£¡£
![]()
ÔÚ¸ßЧ¹¤¿öÏ£¨Ö÷»ú¸ººÉÔ¼SMCRµÄ10-20%£©£¬£¬£¬£¬£¬£¬£¬£¬Öá´ø·¢µç»ú¿É½ÓÄÉÖ÷»ú¸»ÓàÖṦ£¬£¬£¬£¬£¬£¬£¬£¬Îª´¬²°µçÍøÌṩÎȹ̵çÁ¦£¬£¬£¬£¬£¬£¬£¬£¬ïÔ̸¨Öú»ú×éÔËÐÐʱ¼ä£¬£¬£¬£¬£¬£¬£¬£¬´Ó¶øÏÔÖø½µµÍÕûÌåȼÓÍÏûºÄÓë̼ÅÅ·Å¡£¡£¡£¡£¡£¡£
![]()
¶«Éý¹ú¼Ê¹ÙÍøÖá´ø·¢µç»úϵͳÊÊÓðüÀ¨²î±ð¶ÖλµÄÉ¢»õ´¬¡¢ÓÍ´¬¡¢¼¯×°Ïä´¬µÈ´óÐÍÐÂÔì¡¢ÓªÔË´¬²°¡£¡£¡£¡£¡£¡£ÔÚÖ÷»úÎȹÌÔËÐÐʱ´ú£¬£¬£¬£¬£¬£¬£¬£¬Í¨¹ýPTO¸ßЧ¹©µç£¬£¬£¬£¬£¬£¬£¬£¬ïÔ̸¨»ú¸ººÉ¡£¡£¡£¡£¡£¡£
¶«Éý¹ú¼Ê¹ÙÍø¿ÉÌṩ°üÀ¨Öá·¢µç»ú¡¢±äѹÆ÷¡¢ÕûÁ÷±äƵÆ÷¡¢Ñ»·ÀäÈ´Æ÷ϵͳÔÚÄÚµÄһվʽÖá´ø·¢µç»ú½â¾ö¼Æ»®¡£¡£¡£¡£¡£¡£ÒÀ¸½Ç¿Ê¢µÄÊÖÒÕÖ§³ÖÍŶӣ¬£¬£¬£¬£¬£¬£¬£¬¶«Éý¹ú¼Ê¹ÙÍø¿ÉÔÚÈ«Çò30Óà¸ö¿Ú°¶ÌṩÖá´ø·¢µç»úÊÖÒÕ·þÎñ¡£¡£¡£¡£¡£¡£
![]()
½ÓÈëÖǻ۴¬²°ÏµÍ³ºó£¬£¬£¬£¬£¬£¬£¬£¬Öá´ø·¢µç»ú½«³ÉΪ¸ßЧ¡¢¿É¿¿ÇÒ¿ÉÒ»Á¬µÄÄÜÔ´ÖÐÊà¡£¡£¡£¡£¡£¡£ÏµÍ³Í¨¹ýʵʱÊÕÂÞ¡¢ÆÊÎö·¢µç»úÔËÐÐÊý¾Ý,ʵÏÖ¶Ô·¢µçЧÂÊ¡¢¸ºÔØ·ÖÅɺÍȼÓÍÏûºÄµÄ׼ȷ¿ÉÊÓ»¯ÓëÖÇÄÜÓÅ»¯£¬£¬£¬£¬£¬£¬£¬£¬ÏÔÖøÌáÉýº½³Ì¾¼ÃÐÔ¡£¡£¡£¡£¡£¡£
![]()
ÍŽáÖÇÄÜÆôÍ£Óë¸ºÔØÕ¹ÍûÕ½ÂÔ£¬£¬£¬£¬£¬£¬£¬£¬È·±£·¢µçÓëÍÆ½øÏµÍ³Ðµ÷ÔËÐУ¬£¬£¬£¬£¬£¬£¬£¬ÌáÉýÄÜЧ±È£¬£¬£¬£¬£¬£¬£¬£¬ÑÓÉì×°±¸ÊÙÃü¡£¡£¡£¡£¡£¡£Í¨¹ýÖǻۻú²ÕÖÐÔ¶³ÌÕï¶ÏÓëÔ¤¾¯¹¦Ð§£¬£¬£¬£¬£¬£¬£¬£¬ÔÚ¹ÊÕÏÃÈÑ¿½×¶Î´¥·¢Î¬»¤½¨Ò飬£¬£¬£¬£¬£¬£¬£¬Ìá¸ß´¬²°ÔËÓª¿ÉÓÃÐÔ¡£¡£¡£¡£¡£¡£
ÃæÁÙÈÕÒæÑÏ¿áµÄ»·±£ÒªÇ󣬣¬£¬£¬£¬£¬£¬£¬Öá´ø·¢µç»úÓëÖǻ۴¬²°ÏµÍ³µÄÓлúÍŽá¿ÉÒÔÓÐÓýµµÍ̼Åŷż°ÎÛȾÎïÅÅ·Å£¬£¬£¬£¬£¬£¬£¬£¬ÖúÁ¦´¬²°Öª×ãî¿Ïµ»®¶¨Óë¿ÉÒ»Á¬Éú³¤Ä¿µÄ£¬£¬£¬£¬£¬£¬£¬£¬´øÀ´¸üµÍµÄ×ÜÓµÓб¾Ç®¡¢¸ü¸ßµÄÔËÓª¿É¿¿ÐÔÓë¸üÇ¿µÄÇéÐξºÕùÁ¦¡£¡£¡£¡£¡£¡£